Tož chlopci - Já blb si dal včera před spaním kafe a pak se v posteli vrtěl jak vrtulník a ne a ne zabrat. Tož šel sem potáhnout další nikotinový hřebíček do rakvičky a abych jen tak nečuměl do zdi počal jsem čmárat to co se mi honilo hlavou. Vznikl náčrtek schématu odpojovače pro televize a settop boxy což jsou další nový požírači elektrické energie i když nejsou zapnutí pouze čekají v pohotovostním režimu.
Víc hlav víc ví nebo doporučí kam se obrátit. Dávám proto schema jako nápad k veřejné kritice třeba vy uvidíte chyby, které já už neviděl.
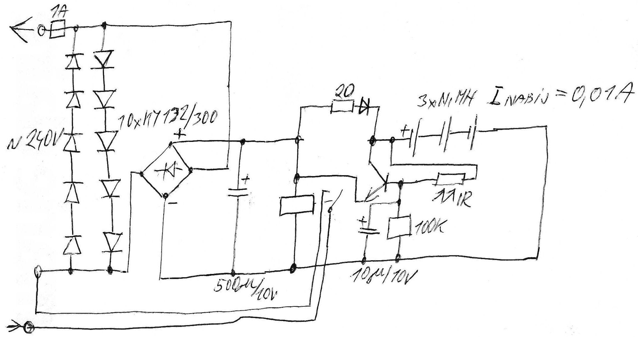
Jak by zařízení mělo fungovat:
Zapojuje se do série se spotřebičem.
Průchodem proudu do spotřebiče vzniká na diodách KY132/300 úbytek napětí cca ~4V
Toto střídavé napětí je usměrněno můstkovým usměrňovačem a filtrováno kondenzátorem 500mikro/10V výsledné stejnosměrné napětí by mělo dosahovat hodnoty =5,6V
Přes odpor a diodu je při zapnutém spotřebiči nabíjena trojice mini tužkových akumulátorů u níž počítám napětí ve vybitém stavu =4,5V na oddělovací diodě ztratím 0,8V s těmito parametry jsem počítal pomocí Ohmova zákona výslednou hodnotu omezovacího odporu 20ohmů pro nabíjecí proud.
Pokud je spotřebič odpojen je rozepnut kontakt relé. Sepnutí relé zajišťuje tranzistor přemostěním oddělovací diody akumulátorů. Impulz pro sepnutí tranzistoru dodává změna hodnoty odporu infračerveného fotoodporu.
Odpojovač režimu StandBy pro zařízení s IR ovládáním
- Jan Pašek
- Tvůrce článků
-
Level 6.5
- Příspěvky: 3701
- Registrován: leden 06
- Bydliště: Plzeň
- Pohlaví:

- Stav:
Offline
Odpojovač režimu StandBy pro zařízení s IR ovládáním
Jendův rozcestník (Odkazy, které jsem měl dříve v podpisu najdete v mém rozcestníku.) Jendovy novinky - Co je pro Vás odemne nového Pokud potřebujete mermomocí vědět na čem páchám PC kriminalitu sestavy jsou v profilu.
- mmmartin
- Moderátor
-
Elite Level 10
- Příspěvky: 9669
- Registrován: srpen 04
- Bydliště: Praha
- Pohlaví:

- Stav:
Offline
Re: Odpojovač režimu StandBy pro zařízení s IR ovládáním
1) Protože není zajištěno, že se napětí na do série zapojených diod rozdělí v závěrném směru rovnoměrně na jednotlivé diody, počítal bych raději s nejméně příznivým případem, že celých 230 V schytá jedna dioda. A protože maximální hodnota napětí v zásuvce je 230*(odmocnina ze 2) = 338 V, dimenzoval bych raději deset diod na "vstupu" na vyšší napětí.
2) Pojistkou jde celý proud spotřebiče, jednoampérová pojistka omezuje jeho příkon na 230 W (což ale, pravda, většině televizí stačí).
3) Nejsem si jistý, jestli se to bude chovat mravně při vypínání. Pokud vypneš televizi dálkou, bude v sérii s tvým udělátorem odpor vypnuté televize. Ten sice může být - a asi bude - dost velký, (mluví se o miliampérech, maximálně desítkách miliampér v režimu stand by), relé pak ale musí být vybrané tak, aby při poklesu proudu na tuto hodnotu spolehlivě odpadlo.
4) Paralelně k cívce relé bych dal diodu (anodou na zem), která bude chránit spínací tranzistor proti průrazu napěťovou špičkou, která na se na cívce naindukuje při vypnutí.
5) Úkolem elytu v bázi tranzistoru je omezit nebo vyloučit reakci obvodu na náhodné krátké impulsy? Pokud ne, je tam elyt (myslím si) zbytečný.
2) Pojistkou jde celý proud spotřebiče, jednoampérová pojistka omezuje jeho příkon na 230 W (což ale, pravda, většině televizí stačí).
3) Nejsem si jistý, jestli se to bude chovat mravně při vypínání. Pokud vypneš televizi dálkou, bude v sérii s tvým udělátorem odpor vypnuté televize. Ten sice může být - a asi bude - dost velký, (mluví se o miliampérech, maximálně desítkách miliampér v režimu stand by), relé pak ale musí být vybrané tak, aby při poklesu proudu na tuto hodnotu spolehlivě odpadlo.
4) Paralelně k cívce relé bych dal diodu (anodou na zem), která bude chránit spínací tranzistor proti průrazu napěťovou špičkou, která na se na cívce naindukuje při vypnutí.
5) Úkolem elytu v bázi tranzistoru je omezit nebo vyloučit reakci obvodu na náhodné krátké impulsy? Pokud ne, je tam elyt (myslím si) zbytečný.
ASUS Prime Z390-P / Hexa Core Intel core i5 Coffee Lake-S / Gigabyte GeForce GTX 650 Ti / FORTRON BlueStorm Bronze 80PLUS / W 11
- Jan Pašek
- Tvůrce článků
-
Level 6.5
- Příspěvky: 3701
- Registrován: leden 06
- Bydliště: Plzeň
- Pohlaví:

- Stav:
Offline
Re: Odpojovač režimu StandBy pro zařízení s IR ovládáním
dík za připomínky
1) není problém osadit diodami se jmenovitým napětím 400V.
2) nakonec si sám uznal že jištění je dostačující
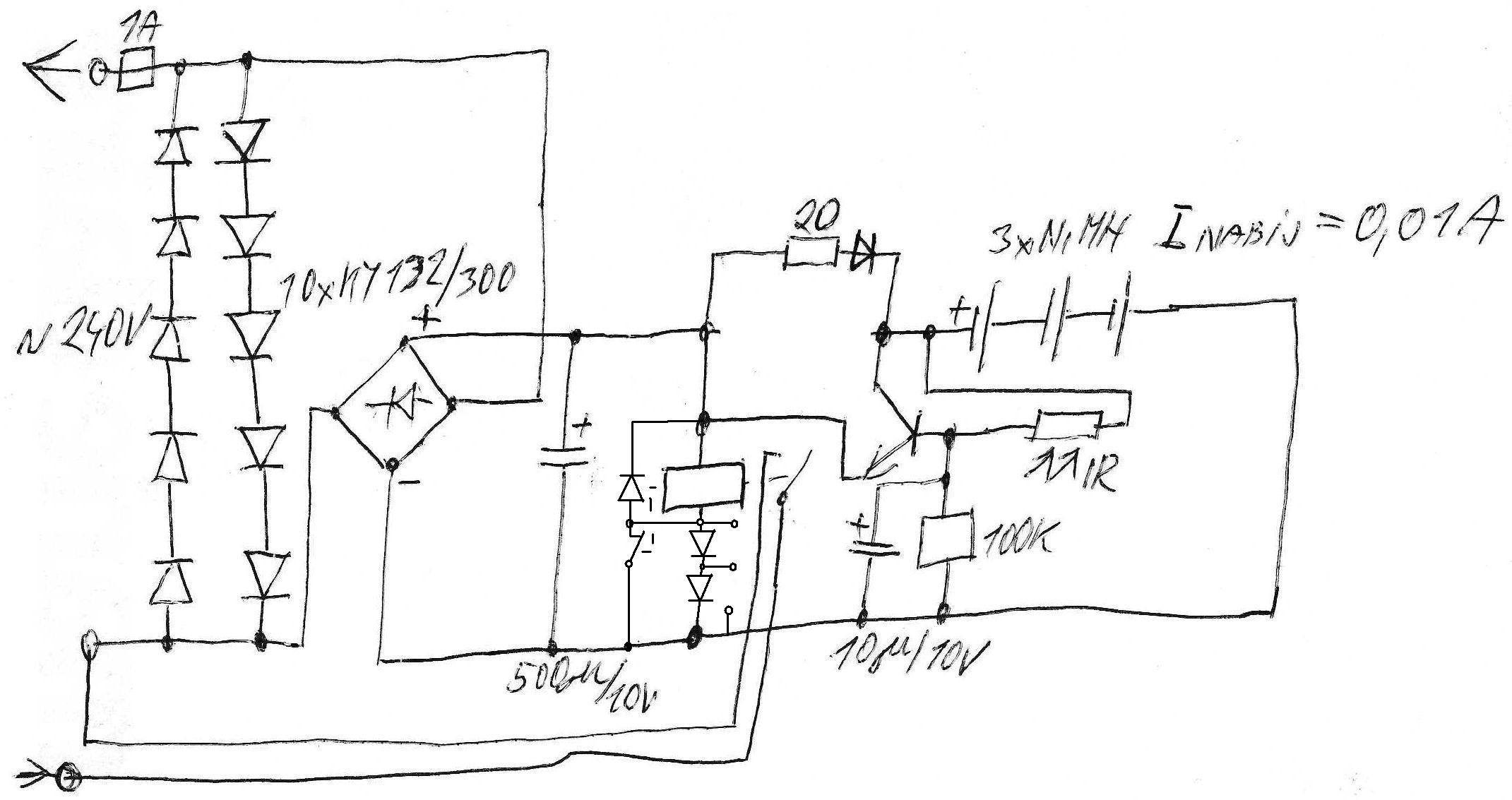
3) možná že by neškodila malá úprava:
4) akceptováno
5) kondenzátor je nutnost pro vyfitrování série IR impulsů z ovladače.
1) není problém osadit diodami se jmenovitým napětím 400V.
2) nakonec si sám uznal že jištění je dostačující
3) možná že by neškodila malá úprava:
4) akceptováno
5) kondenzátor je nutnost pro vyfitrování série IR impulsů z ovladače.
Jendův rozcestník (Odkazy, které jsem měl dříve v podpisu najdete v mém rozcestníku.) Jendovy novinky - Co je pro Vás odemne nového Pokud potřebujete mermomocí vědět na čem páchám PC kriminalitu sestavy jsou v profilu.
- El Diablo
- Moderátor
-
Elite Level 11.5
- Příspěvky: 14099
- Registrován: červen 06
- Bydliště: In Hell
- Pohlaví:

- Stav:
Offline
- Kontakt:
Re: Odpojovač režimu StandBy pro zařízení s IR ovládáním
Není mi jasná ta funkce IR ovládání, to se ti bude při každém přepínání programu vypínat televize?
RTFM!!! UBCD - Ultimate Boot CD Zkusili jste to vypnout a zapnout? Aneb z PIO do DMA a zpět... :) * Jak provést Clear CMOS
Kdo se moc ptá, málo googlí. Doporučený freeware
i5 3570K, ASRock Z77 Extreme, 16GB Corsair, 120GB SSD Kingston +2TB Samsung, Gigabyte Radeon HD7870, Sharkoon ReX8VE, XL-747H
Kdo se moc ptá, málo googlí. Doporučený freeware
i5 3570K, ASRock Z77 Extreme, 16GB Corsair, 120GB SSD Kingston +2TB Samsung, Gigabyte Radeon HD7870, Sharkoon ReX8VE, XL-747H
- Jan Pašek
- Tvůrce článků
-
Level 6.5
- Příspěvky: 3701
- Registrován: leden 06
- Bydliště: Plzeň
- Pohlaví:

- Stav:
Offline
Re: Odpojovač režimu StandBy pro zařízení s IR ovládáním
Ne. Pokud přepínáš programy TV je stále zapnutá a má odběr. Relé tedy drží vlivem úbytku napětí na vstupních diodách.
Jendův rozcestník (Odkazy, které jsem měl dříve v podpisu najdete v mém rozcestníku.) Jendovy novinky - Co je pro Vás odemne nového Pokud potřebujete mermomocí vědět na čem páchám PC kriminalitu sestavy jsou v profilu.
-
- Mohlo by vás zajímat
- Odpovědi
- Zobrazení
- Poslední příspěvek
-
- 7
- 8396
-
od StOrKcZ
Zobrazit poslední příspěvek
26 úno 2025 18:52
-
- 11
- 7440
-
od draxxx
Zobrazit poslední příspěvek
10 kvě 2025 18:02
-
- 4
- 5298
-
od 1mara1
Zobrazit poslední příspěvek
06 bře 2025 06:48
-
-
Bluetooth:Bluetooth neni k dispozici v tomto zarizeni
od byron » 02 bře 2025 09:21 » v Vše ostatní (sw) - 1
- 4772
-
od kecalek
Zobrazit poslední příspěvek
02 bře 2025 16:09
-
Kdo je online
Uživatelé prohlížející si toto fórum: Žádní registrovaní uživatelé a 8 hostů

