Automatický ohřev bazénu

Místo pro témata a příspěvky spadající MIMO počítačovou problematiku (tedy např. sport, zdraví, vtipy, škola...).

Moderátoři: Mods_junior, Mods_senior

Jendoslav29
nováček
Příspěvky: 3
Registrován: červen 13
Pohlaví: Muž
Stav:
Offline

Re: Automatický ohřev bazénu

Příspěvekod Jendoslav29 » 03 črc 2013 07:44

BiScHop píše:rozumější to nejspíš je :) ale dávat za tu řídící jednotku 5000...to opravdu ne..
Jo omlouvám se zapoměl jsem dodat že jde o solární ohřev, tudíž kdyby to bylo řízené zeplotou tak při špatném počasí klesne teplota v bázénu a sepne se mi cerpadlo ale nebude se ohřívat ale ochlazovat


Nemáte pravdu pokud máte dvě teplotní čidla, jedno na vodu a druhé na teplotu vzduchu pak to druhé nastavíte jako nadřazené tomu prvnímu a určitě vám to nebude ochlazovat,
pravda je že to není levné řešení, ale na druhou stranu zase profi a nemusíte se o nic starat jen jako to poprvé nastavit

Reklama
Uživatelský avatar
karlos
Master Level 8
Master Level 8
Příspěvky: 6447
Registrován: květen 05
Bydliště: Domažlice
Pohlaví: Muž
Stav:
Offline

Re: Automatický ohřev bazénu

Příspěvekod karlos » 03 črc 2013 08:24

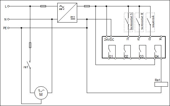
A teď, jak bych to řešil já ;-) Na Aukru se občas dají koupit programovatelná relé (Zelio, Millenium, Logo,...) za docela rozumné koruny. Pro tuto aplikaci by stačilo bohatě nějaké malé, se čtyřmi vstupy. Programování těchto relé zvládne i orangutan středního vzrůstu, takže není čeho se bát. Samotné zapojení bych realizoval tak, že by jeden termostat hlídal teplotu vody v bazénu, aby to koupající se neuvařilo, druhý termostat by hlídal teplotu vody, kterou do bazénu napouštíme, aby se naopak do bazénu netlačila studená voda. Soumrakový spínač by nám pak hlídal sluníčko. V programu samotném pak by byl zakomponovaný časový spínač, který by byl nastavený cca od 10:00 do 18:00. Tím by byl vymezený čas od kdy do kdy. Je mi jasné, že toto řešení něco bude stát, nicméně jsem přesvědčený, že pokud se chci bezstarostně válet u vody, musím za to zaplatit :-)

A ještě důležité a důrazné upozornění. Nezapomínej, že elektrika je dobrý sluha, ale špatná milenka. Ani ve smyku nespínat termostaty síťové napětí a ovládat tak motor napřímo. Všechno zapojit ve vodotěsném rozvaděči. Žádné bastly na prodlužovačce, omotané PVC páskou (v lepším případě Rotundou). A rozhodně mít všechno připojené přes proudový chránič. Jde o život...

Nalezl jsem toto: http://aukro.cz/siemens-logo-i3370795230.html za ty peníze, když tam nikdo nevleze, je to zadarmo, sám bych do toho šel, nemít dvě Zelia od Schneidera ;-)
Přílohy
bazen.jpg
Co nejde silou, jde ještě větší silou... :-)

BiScHop
Level 3
Level 3
Příspěvky: 591
Registrován: leden 09
Bydliště: Děčín
Pohlaví: Muž
Stav:
Offline
Kontakt:

Re: Automatický ohřev bazénu

Příspěvekod BiScHop » 03 črc 2013 22:44

Děkuji za všechny tyto rady, ale otec chce jednoduše když svítí slunce tak se cerpadlo sepne a kdyz zajde za mraky tak se vypne ;) Je někde k sehnání senzor intenzity světla? Pro zapínaní čerpadla?

Uziv00
Pohlaví: Nespecifikováno

Re: Automatický ohřev bazénu

Příspěvekod Uziv00 » 03 črc 2013 23:46

No, něco je tu: http://cip.inshop.cz/inshop/domaci-auto ... 10.32.html ale mám obavy, že spínat to bude právě při soumraku. Čili přesně naopak, než potřebuješ.
Nebo tu: http://www.zarovky-svitidla.cz/soumrako ... ,1220.html

Uživatelský avatar
karlos
Master Level 8
Master Level 8
Příspěvky: 6447
Registrován: květen 05
Bydliště: Domažlice
Pohlaví: Muž
Stav:
Offline

Re: Automatický ohřev bazénu

Příspěvekod karlos » 04 črc 2013 07:03

Chtělo by to návod od toho spínače, pokud bude na výstupu přepínač, což bych viděl, jako celkem logičtější, pak je všechno OK. Pokud tam bude jen spínač a bude spínat při soumraku, není problém výstup invertovat pomocí relé.

Zůstává mé předchozí varování před bastly, omotanými izolačkou a zapojení přes proudový chránič. To je minimum, na kterém se rozhodně nevyplatí šetřit. Kdyby se, nedejpříroda něco stalo, budete si do konce života vyčítat, že ušetřená tisícovka stála někoho život...
Co nejde silou, jde ještě větší silou... :-)

Uziv00
Pohlaví: Nespecifikováno

Re: Automatický ohřev bazénu

Příspěvekod Uziv00 » 04 črc 2013 08:41

karlos: To je diskutabilní. Co kdyby to kleplo tchyni :lol:

Uživatelský avatar
karlos
Master Level 8
Master Level 8
Příspěvky: 6447
Registrován: květen 05
Bydliště: Domažlice
Pohlaví: Muž
Stav:
Offline

Re: Automatický ohřev bazénu

Příspěvekod karlos » 04 črc 2013 09:47

Souhlasím. Diskutabilní to je, protože kupříkladu děti babičku milují, ač to může být tříhlavá tchýně/saň. Pak to bude doživotní trauma plné smíšených pocitů, že jsem sice, jako bájný Jiřík skolil draka jednou ranou, ale zároveň jsem tou ranou udělal své děti smutnými. Každopádně se již pouštíme na tenký led filozofie, podobně jako v případě krtků. Celé generace dětí milují krtečka a když vyrostou a vidí ho na své zahrádce, stávají se vrahy. Kamarádka pořídila své maličké dceři video kazetu s krtečkem, dcerka celé dni krtečka hltá a kamarádka začíná být alergická na jakékoliv jeho citoslovce. Díky tomu mu říká: "Malej, černej, ze záhrobí..." :-D
Co nejde silou, jde ještě větší silou... :-)


  • Mohlo by vás zajímat
    Odpovědi
    Zobrazení
    Poslední příspěvek

Zpět na “Vše ostatní (Off topic)”

Kdo je online

Uživatelé prohlížející si toto fórum: Žádní registrovaní uživatelé a 18 hostů