Mohl by mi prosím někdo znalý věci
trochu pomoci s návrhem jednoduchého zařízení? Při použití co nejmenšího počtu hradel (nejlépe asi NAND 7400) vytvořit něco, kde bude na výstupu jedna LED a ovládat se to bude jedním tlačítkem (ne vypínačem) + reset tlačítko. Počáteční stav bude log. 0. Když sepnu (a rozepnu) tlačítko, na výstupu bude log. 1 a stále bude setrvávat v tomto stavu až po stisknutí tlačítka RESET. Potřebuji toto udělat pro celkem 26 LED, tj co nejúsporněji a nejjednoduššeji. Děkuji za konkrétní návrh nebo odkaz na sestrojení tohoto monostabilního klopného obvodu.
Monostabilní klopný obvod - poradíte prosím. Vyřešeno
- mmmartin
- Moderátor
-
Elite Level 10
- Příspěvky: 9669
- Registrován: srpen 04
- Bydliště: Praha
- Pohlaví:

- Stav:
Offline
Re: Monostabilní klopný obvod - poradíte prosím.
Jestli by nebylo podmínkou nulování tlačítkem RESET, vyhoví JK klopný obvod. Pokud mu na J i K vstup přivedeš trvale log 1, bude měnit stav výstupu s každým stisknutím ovládacího tlačítka.Když tlačítko RESET je podmínkou, půjde použít klopný obvod RS - z kebule nevím zapojení, ale zkratka je z Reset / Set, tj. dva různé ovládací signály. Obé bývalo k dispozici v provedené DIL, jak je to s dostupností nyní netuším. Případné podrobnosti příští týden, až zase budu doma u své knihovny.
A jenom jedna terminologická: požadované vlastnosti splňuje bistabilní klopný obvod - má dva stavy, ve kterých setrvává po libovolnou dobu. Monostabilní obvod má pouze jeden stabilní stav a funguje tak, že impulzem na řídícím vstupu přejde z tohoto stabilního stavu do stavu kvazistabilního, v něm setrvá po určitou dobu a pak se samovolně vrací do stabilního stavu.
A jenom jedna terminologická: požadované vlastnosti splňuje bistabilní klopný obvod - má dva stavy, ve kterých setrvává po libovolnou dobu. Monostabilní obvod má pouze jeden stabilní stav a funguje tak, že impulzem na řídícím vstupu přejde z tohoto stabilního stavu do stavu kvazistabilního, v něm setrvá po určitou dobu a pak se samovolně vrací do stabilního stavu.
ASUS Prime Z390-P / Hexa Core Intel core i5 Coffee Lake-S / Gigabyte GeForce GTX 650 Ti / FORTRON BlueStorm Bronze 80PLUS / W 11
-
guest
- Pohlaví:

Re: Monostabilní klopný obvod - poradíte prosím.
Díky, počkám jestli to doplníš. Hledám to pro kamaráda.
- mmmartin
- Moderátor
-
Elite Level 10
- Příspěvky: 9669
- Registrován: srpen 04
- Bydliště: Praha
- Pohlaví:

- Stav:
Offline
Re: Monostabilní klopný obvod - poradíte prosím.
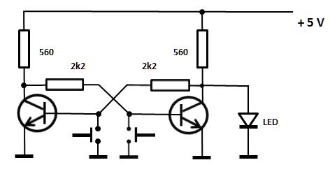
Tak třeba takto:
Pravé tlačítko je S - LEDku rozsvěcí, levé je R - zhasíná. Tranzistory jakékoliv, pokud se nepletu např. BC 810 je dvojitý tranzistor, i ten by se dal použít. Proud diodou je nastavený na cca 20 mA. Není ošetřené nastavení do určitého stavu při připojení napájecího napětí, pokud by to bylo požadované, připojit paralelně k tlačítku R elyt +/- 1 mikro, kdyby to nestačilo, dát větší.
Pravé tlačítko je S - LEDku rozsvěcí, levé je R - zhasíná. Tranzistory jakékoliv, pokud se nepletu např. BC 810 je dvojitý tranzistor, i ten by se dal použít. Proud diodou je nastavený na cca 20 mA. Není ošetřené nastavení do určitého stavu při připojení napájecího napětí, pokud by to bylo požadované, připojit paralelně k tlačítku R elyt +/- 1 mikro, kdyby to nestačilo, dát větší.
ASUS Prime Z390-P / Hexa Core Intel core i5 Coffee Lake-S / Gigabyte GeForce GTX 650 Ti / FORTRON BlueStorm Bronze 80PLUS / W 11
-
guest
- Pohlaví:

Re: Monostabilní klopný obvod - poradíte prosím.
mmmarine děkuji, předám. A nemáš tam něco místo tranzistorů s IO?
- mmmartin
- Moderátor
-
Elite Level 10
- Příspěvky: 9669
- Registrován: srpen 04
- Bydliště: Praha
- Pohlaví:

- Stav:
Offline
Re: Monostabilní klopný obvod - poradíte prosím.
Nepodařilo se mi vygooglit RS klopný obvod v integrované podobě TTL. ALE! RS jde udělat i z 555, podrobnosti v dolní polovině této stránky. Tady bude nutné doplnit diodu připojenou na výstup sériovým odporem, který omezí proud diodou - výstup 555 je "tvrdý" zdroj napětí. Jeho hodnota je R = [(výstupní napětí 555 ve stavu ON) - (přední napětí LED)] / (požadovaný proud LEDkou).
ASUS Prime Z390-P / Hexa Core Intel core i5 Coffee Lake-S / Gigabyte GeForce GTX 650 Ti / FORTRON BlueStorm Bronze 80PLUS / W 11
Re: Monostabilní klopný obvod - poradíte prosím.
Hádám že by mohlo stačit jedno hradlo OR v obvodu 7432, a dva rezistory. Ale byla by to sinclairovská prasárna ve stylu oddělení sběrnic ZX Spectrum
Schéma dodám k večeru.
Schéma dodám k večeru.
"Král Lávra má dlouhé oslí uši, král je ušatec!
(pravil K. H. Borovský o cenzuře internetu)
(pravil K. H. Borovský o cenzuře internetu)
- mmmartin
- Moderátor
-
Elite Level 10
- Příspěvky: 9669
- Registrován: srpen 04
- Bydliště: Praha
- Pohlaví:

- Stav:
Offline
Re: Monostabilní klopný obvod - poradíte prosím.
Na sestavení RS potřebuješ dvě hradla.
ASUS Prime Z390-P / Hexa Core Intel core i5 Coffee Lake-S / Gigabyte GeForce GTX 650 Ti / FORTRON BlueStorm Bronze 80PLUS / W 11
-
guest
- Pohlaví:

Re: Monostabilní klopný obvod - poradíte prosím.
Panové děkuji, ještě počkám na schéma od faraona.
Re: Monostabilní klopný obvod - poradíte prosím.
Tak takhle by to mohlo vypadat:
V prvním případě je potřeba ten odpor "naladit" tak aby LED svítila a zároveň se hradlo OR zvládlo udržet sepnuté, v druhém je to jistější, ale zase by bylo potřeba ty odpory proti sobě vyvážit.
A kdyby to tu diodu neutáhlo nebo jich tam bylo víc a rušilo to tu zpětnou vazbu, dal bych místo ní invertor který jí bude budit, a tlačítka by fungovala opačně.
V prvním případě je potřeba ten odpor "naladit" tak aby LED svítila a zároveň se hradlo OR zvládlo udržet sepnuté, v druhém je to jistější, ale zase by bylo potřeba ty odpory proti sobě vyvážit.
A kdyby to tu diodu neutáhlo nebo jich tam bylo víc a rušilo to tu zpětnou vazbu, dal bych místo ní invertor který jí bude budit, a tlačítka by fungovala opačně.
"Král Lávra má dlouhé oslí uši, král je ušatec!
(pravil K. H. Borovský o cenzuře internetu)
(pravil K. H. Borovský o cenzuře internetu)
-
guest
- Pohlaví:

Re: Monostabilní klopný obvod - poradíte prosím. Vyřešeno
Pánové oběma vám děkuji! Informace předám a tady to zamykám.
-
- Mohlo by vás zajímat
- Odpovědi
- Zobrazení
- Poslední příspěvek
-
- 6
- 8583
-
od Alferi
Zobrazit poslední příspěvek
10 bře 2025 18:05
-
- 5
- 3124
-
od michal84
Zobrazit poslední příspěvek
07 dub 2025 10:11
-
- 2
- 3073
-
od Alferi
Zobrazit poslední příspěvek
11 led 2025 17:38
-
-
Prosím o radu se sestavením pc
od Patrik54321 » 16 črc 2025 20:47 » v Rady s výběrem hw a sestavením PC - 5
- 2369
-
od Patrik54321
Zobrazit poslední příspěvek
17 črc 2025 16:42
-
-
-
PROSÍM potřebuji pomoc s výběrem bazar Pc
od Robrt » 15 říj 2025 21:40 » v Rady s výběrem hw a sestavením PC - 2
- 2050
-
od Robrt
Zobrazit poslední příspěvek
15 říj 2025 21:54
-
Zpět na “Vše ostatní (Off topic)”
Kdo je online
Uživatelé prohlížející si toto fórum: Žádní registrovaní uživatelé a 19 hostů


