Nefunguje TV anténa se zesilovačem Vyřešeno

Místo pro témata a příspěvky spadající MIMO počítačovou problematiku (tedy např. sport, zdraví, vtipy, škola...).

Moderátoři: Mods_junior, Mods_senior

guest
Pohlaví: Nespecifikováno

Nefunguje TV anténa se zesilovačem

Příspěvekod guest » 22 říj 2010 11:54

Zdravím všechny bastlíře! :smile:

Dva dny tu řeším problém a už si nevím rady.

Máme vedle sebe dva byty, 2 TV a 2 stejné antény. Jedná se o polská síta a rozdíl je pouze v tom, že jedno je asi o 5 let starší. U toho nového je cca o 5m delší koax - ale tyto věci nejsou důležité.
U obou antén je elektricky stejný zdroj, 12Vstabil., 100mA.

K problému.
Nová anténa nefunguje, při použití zdroje od té starší vše O.K. Doporučil jsem tedy reklamaci zdroje. Ten byl vyměněn 2x ale bez kladného výsledku. Se starým zdrojem je u obou TV vše OK, s novým nejde žádná. Vyměnil jsem tedy zdroj 100mA za 300mA, ale výsledek stejný.

Jistě ty zdroje znáte, je to zalitý konektor a na něm naletovaný plošňák s nějakou vyhýbkou (možná jenom C, možná ještě tl.) Mohlo by to vypadat i viz. obrázek.

Ještě mne napadla možnost, že ty konektory nejsou úplně stejné, možná jsou ty nové kratší, ale to uvidím až to odpoledne přinesou.

Tím ale končí moje nápady. :x

Budu vděčný za každý jiný! :D
Přílohy
C.JPG
C.JPG (7.2 KiB) Zobrazeno 3558 x

Reklama
Uživatelský avatar
X
Elite Level 12.5
Elite Level 12.5
Příspěvky: 19360
Registrován: květen 07
Pohlaví: Muž
Stav:
Offline
Kontakt:

Re: Nefunguje TV anténa se zesilovačem

Příspěvekod X » 22 říj 2010 12:06

Polské síta jsou už při koupi zralé na vyhození ... kvalitou, technickými parametry, ...

guest
Pohlaví: Nespecifikováno

Re: Nefunguje TV anténa se zesilovačem

Příspěvekod guest » 22 říj 2010 12:16

Díky za hodnocení, nicméně problém to ani náznakem neřeší. :evil:

Kdyby to napsal někdo, kdo nemá 8768 příspěvků, pak by ho modi pokárali za spam. :lol:

Ostatně toto není primárně problém polského síta!

Uživatelský avatar
X
Elite Level 12.5
Elite Level 12.5
Příspěvky: 19360
Registrován: květen 07
Pohlaví: Muž
Stav:
Offline
Kontakt:

Re: Nefunguje TV anténa se zesilovačem

Příspěvekod X » 22 říj 2010 12:23

Tím jsem chtěl říct, ať ti dotčení neškudlí a koupí si pořádnou anténu, ne taková chrastítka, která na střeše stejně rychle odchází. Jakékoli opravy jsou marné, ale to ty jistě víš, protože čteš články na www, co jsem ti dal minule, při řešení příjmu na DVB-T :evil: :lol: Polská síta nekupovat ani zadarmo!

"Ostatně toto není primárně problém polského síta!" - no fuj, že se nestydíš!



P.S.: Aby zde zbytečně nepřidával příspěvky pro někoho, kdo to není schopen stále pochopit: Polské síta stojí za starou belu, možná chvíli budou trochu a nekvalitně fungovat, ale radím naposled, kupte si pořádnou anténu, ne polská chrastítka co brzy odejdou!!!

Pár odkazů o kvalitě polských síť a hrozba tučných pokut při rušení (prý ani polská síta nejsou schválena pro provoz v ČR, jen tento fakt může jistě přispět k pořádné pokutě):

http://anteny.digizone.cz/sitove-anteny/

http://www.digitalnatelevizia.sk/forum/ ... vku=reakce
Naposledy upravil(a) X dne 22 říj 2010 13:04, celkem upraveno 6 x.

guest
Pohlaví: Nespecifikováno

Re: Nefunguje TV anténa se zesilovačem

Příspěvekod guest » 22 říj 2010 12:39

Zřejmě si dotaz nečetl a tak to speciálně pro Tebe upřesním :lol:

Obě antény - polská síta fungují (první min.5let a jde i na DVB-T), ale nefungují se zdroji s napětím12V/100mA, které se běžně prodávají k anténám se zesilovačem s totožným napájením .

Uživatelský avatar
Pic
Moderátor
Guru Level 13
Guru Level 13
Příspěvky: 23292
Registrován: září 06
Bydliště: Východní Čechy
Pohlaví: Muž
Stav:
Offline

Re: Nefunguje TV anténa se zesilovačem

Příspěvekod Pic » 22 říj 2010 13:31

Jednak nechápu ten obrázek, protože jak je známo, kondenzátorem stejnosměrný proud neprochází (tedy pokud šipky ukazují směr k zesilovači). Zkus změřit napětí na konci koaxiálního kabelu v zesilovači u antény.

[color=#800080]Edit:[/color]Pravděpodobně přerušený střední vodič koaxiálního kabelu, nebo chybně připojené napětí ze zdroje, či u zesilovače.
Přečti si pravidla tohoto fóra! Přečetl jsi si nejprve manuál? Piš tak, abychom Ti rozuměli! Na SZ neodpovídám na požadavky řešení Vašich problémů s PC!
Nic není dokonalé, ani člověk!

guest
Pohlaví: Nespecifikováno

Re: Nefunguje TV anténa se zesilovačem

Příspěvekod guest » 22 říj 2010 13:44

Šipka směřuje k TV a přes kondenzátor jde to TV zesílený vf signál - obrázek upraven :smile:

Změřit napětí u antény nemůžu, protože to je na hromosvodě (upozornil jsem, že je to proti předpisům :smile: ) a tam nevyšplhám.
Ale starý zdroj funguje!
Přílohy
C.JPG
C.JPG (8.42 KiB) Zobrazeno 3541 x

Uživatelský avatar
Pic
Moderátor
Guru Level 13
Guru Level 13
Příspěvky: 23292
Registrován: září 06
Bydliště: Východní Čechy
Pohlaví: Muž
Stav:
Offline

Re: Nefunguje TV anténa se zesilovačem

Příspěvekod Pic » 22 říj 2010 13:52

Nová anténa se starým zdrojem funguje, ale s novým ne. Funguje nový zdroj se starou anténou? Pokud ano, tak není co řešit. Polské zesilovače mají jednu nectnost a to parazitní kmitání, které se na analogové TV projevuje pruhy, které běhají přes obrazovku, nebo se obraz úplně rozsype. U digitálního signálu ovšem kmitání znemožní příjem úplně.
Přečti si pravidla tohoto fóra! Přečetl jsi si nejprve manuál? Piš tak, abychom Ti rozuměli! Na SZ neodpovídám na požadavky řešení Vašich problémů s PC!
Nic není dokonalé, ani člověk!

Uživatelský avatar
jaro3
člen Security týmu
Guru Level 15
Guru Level 15
Příspěvky: 43371
Registrován: červen 07
Bydliště: Jižní Čechy
Pohlaví: Muž
Stav:
Offline

Re: Nefunguje TV anténa se zesilovačem

Příspěvekod jaro3 » 22 říj 2010 13:58

Zdroje si určitě měřil , i se správným (stejným) potenciálem +-.
Jsou ty antény totožné , se stejným předzesilovačem? . Jinak zkus ten zdroj vyhodit , i kondenzátor a napájet anténní zesilovač z TV. Ta by měla dodávat +5V. Je to sice málo , ale někdy to stačí.
Funguje Tvůj zdroj u sousedovic antény?
Při práci s programy HJT, ComboFix,MbAM, SDFix aj. zavřete všechny ostatní aplikace a prohlížeče!
Neposílejte logy do soukromých zpráv.Po dobu mé nepřítomnosti mě zastupuje memphisto , Žbeky a Orcus.
Pokud budete spokojeni , můžete podpořit naše forum:Podpora fóra

guest
Pohlaví: Nespecifikováno

Re: Nefunguje TV anténa se zesilovačem

Příspěvekod guest » 22 říj 2010 15:42

Však to píšu v úvodu.

Zdroj starý - S - 12V/100mA funguje na obou anténách.
Zdroj nový -N - 12V/300mA nefunguje na žádné. /je to už 3. zdroj - zvýšeno ze 100mA na 300mA, kvůli o 5m delšímu koaxiálu:

Zdroj S, měřeno na zemi dává 12V/100mA
Zdroj N, měřeno na zemi dává 12V/300mA


+ a - je správně, jako na obrázku - u obou zdrojů stejné !

Tak jsem to vykuchal a zapojení je následovné:
Přílohy
C2.JPG
C2.JPG (10.38 KiB) Zobrazeno 3523 x

Uživatelský avatar
jaro3
člen Security týmu
Guru Level 15
Guru Level 15
Příspěvky: 43371
Registrován: červen 07
Bydliště: Jižní Čechy
Pohlaví: Muž
Stav:
Offline

Re: Nefunguje TV anténa se zesilovačem

Příspěvekod jaro3 » 22 říj 2010 16:49

Ten kondenzátor na živém vodiči je uvnitř toho zdroje? Má stejnou kapacitu jako v tom starém? I ten filtrační?
Při práci s programy HJT, ComboFix,MbAM, SDFix aj. zavřete všechny ostatní aplikace a prohlížeče!
Neposílejte logy do soukromých zpráv.Po dobu mé nepřítomnosti mě zastupuje memphisto , Žbeky a Orcus.
Pokud budete spokojeni , můžete podpořit naše forum:Podpora fóra

guest
Pohlaví: Nespecifikováno

Re: Nefunguje TV anténa se zesilovačem

Příspěvekod guest » 22 říj 2010 17:05

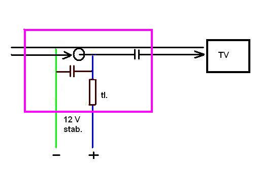
Není, tlumivka a oba kondenzátory jsou připájeny na malý tišťáček který je naletován přímo na konektoru do anténního vstupu TV. Upravil jsem obrázek, to fialové je tišťák. Tam je přiletován přívod napětí od zdroje a do svorek se upevní koaxiál.

Značení kondenzátorů není a změřit to nemá čím. :evil:

Nyní jsem to vše vyhodil a nechal jenom jeden kondenzátor abych oddělil napájení zesilovače od živého vstupu TV. Jako na prvním obrázku.
Přílohy
C3.JPG


  • Mohlo by vás zajímat
    Odpovědi
    Zobrazení
    Poslední příspěvek
  • Nefunguje nová PC
    od adoyss » 16 led 2025 05:06 » v Problémy s hardwarem
    7
    5633
    od martanius Zobrazit poslední příspěvek
    17 led 2025 02:29
  • Lenovo S-130 nefunguje touchpad
    od mk7605 » 13 říj 2025 16:35 » v Problémy s hardwarem
    21
    5756
    od mk7605 Zobrazit poslední příspěvek
    19 říj 2025 15:42
  • T490s nefunguje trackpoint UPDATE Příloha(y)
    od Sadelník1234 » 17 led 2025 21:49 » v Problémy s hardwarem
    3
    3958
    od kecalek Zobrazit poslední příspěvek
    20 led 2025 16:00
  • USB-C hub nefunguje na jednom ASUS notebooku s Thunderbolt 4, na jiném ano
    od Atjov1 » 20 bře 2025 19:58 » v Problémy s hardwarem
    10
    7587
    od Atjov1 Zobrazit poslední příspěvek
    03 čer 2025 14:53

Zpět na “Vše ostatní (Off topic)”

Kdo je online

Uživatelé prohlížející si toto fórum: Žádní registrovaní uživatelé a 7 hostů