Problémy se zapojením Case Fan/MB

Zvukové karty, síťové karty, grafické karty, modemy…

Moderátoři: Pic, Mods_junior, Mods_senior, HW spec team

amirinda
Level 3.5
Level 3.5
Příspěvky: 697
Registrován: březen 18
Pohlaví: Muž
Stav:
Offline

Problémy se zapojením Case Fan/MB

Příspěvekod amirinda » 02 říj 2019 11:20

Zdar lidi,
Kamarád má Case SilentiumPC RG4T RGB Pure Black:
https://www.czc.cz/silentiumpc-rg4t-rgb ... 41/produkt

V základu byly v bedně 3 RGB ventilátory zapojené do Hubu a ovládané manuálně na vrchu bedny. Po asi 3/4 roku začal jeden z nich vrčet, tak říkám ať není problém se zapojením kup ventilátory od nich.
Koupil tedy celou sadu 3 ventilátorů s tím, že další dva se dají nahoru do bedny. Jenže ty už nejdou zapojit do Hubu v bedně, jelikož mají klasicky 3pin Fan a 4pin RGB, takže jsou zapojené přímo do desky a více-méně se mu líbí nastavení a ovládání pomocí SW k desce.
https://www.czc.cz/silentiumpc-sigma-hp ... 08/produkt

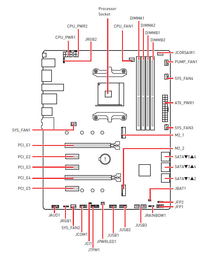
Desku má MSI B450 GAMING PRO CARBON AC:
https://www.czc.cz/msi-b450-gaming-pro- ... 18/produkt

A teď otázka, jestli se dají ty původní dva zbylé ventilátory, které jsou zapojené přes ten Hub a ovládané manuálně nějak propojit s deskou tak, aby se ovládali také pomocí SW?

Přikládám foto Hubu a pinů na desce. Více-méně by byl zapotřebí nějakej kablík, kterej by propojoval desku s tím hubem...
Přílohy
2019-09-15_072137.jpg
2019-09-15_071814.jpg

Reklama
amirinda
Level 3.5
Level 3.5
Příspěvky: 697
Registrován: březen 18
Pohlaví: Muž
Stav:
Offline

Re: Problémy se zapojením Case Fan/MB

Příspěvekod amirinda » 03 říj 2019 20:41

Teď jsem našel tohle:
https://www.czc.cz/evolveo-a1-12v-kabel ... 07/produkt

To řeší RGB, ale co ovládá ventilátory jako takové?


  • Mohlo by vás zajímat
    Odpovědi
    Zobrazení
    Poslední příspěvek
  • Koupě case
    od lucaso84 » 07 čer 2025 07:26 » v Rady s výběrem hw a sestavením PC
    8
    3003
    od Cleric Zobrazit poslední příspěvek
    07 čer 2025 21:02
  • Single Fan vs Dual Fan a aka case?
    od AirCrew » 04 dub 2025 11:39 » v Rady s výběrem hw a sestavením PC
    0
    1793
    od AirCrew Zobrazit poslední příspěvek
    04 dub 2025 11:39
  • Kontrola sestavy - Herní PC 45k (case)
    od Proxus » 01 říj 2025 21:37 » v Rady s výběrem hw a sestavením PC
    2
    2516
    od Alferi Zobrazit poslední příspěvek
    03 říj 2025 12:38
  • Překousané kabely reset sw, tlačítko start na case
    od Speedhack » 22 kvě 2025 00:04 » v Problémy s hardwarem
    12
    6158
    od atari Zobrazit poslední příspěvek
    29 kvě 2025 09:07
  • Problémy s prehliadačom
    od andrej71 » 26 bře 2025 22:07 » v Problémy s hardwarem
    0
    2880
    od andrej71 Zobrazit poslední příspěvek
    26 bře 2025 22:07

Zpět na “Problémy s hardwarem”

Kdo je online

Uživatelé prohlížející si toto fórum: Google [Bot] a 16 hostů