Vypadlé konektory

Zvukové karty, síťové karty, grafické karty, modemy…

Moderátoři: Pic, Mods_junior, Mods_senior, HW spec team

m.vlada
nováček
Příspěvky: 6
Registrován: prosinec 19
Pohlaví: Muž
Stav:
Offline

Vypadlé konektory

Příspěvekod m.vlada » 27 pro 2019 21:26

Pri prepinani konektoru k Hdd jsem vyhodil konektory Power SW a HDD LED poradite mi kam s nimi ani z manualu to pri svyvh vedomostech nesokazi vycist odkaz na manual : https://download.gigabyte.eu/FileList/M ... ga-z97(h97)-d3h_e.pdf Za pridadnou radu predem dekuji

Reklama
Uziv00
Pohlaví: Nespecifikováno

Re: Vypadlé konektory

Příspěvekod Uziv00 » 27 pro 2019 21:45

Především si uprav odkaz tak, aby fungoval :-)

petr22
Guru Level 15
Guru Level 15
Příspěvky: 55012
Registrován: únor 12
Pohlaví: Muž
Stav:
Offline

Re: Vypadlé konektory

Příspěvekod petr22 » 27 pro 2019 21:46

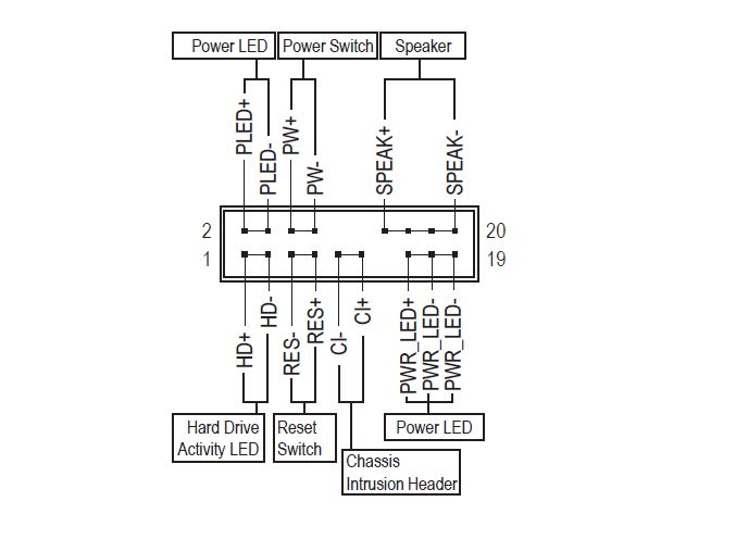
Strana 26 - vpravo je obrazek co kam patri.

Nevim, co vic jeste muzes potrebovat nez obrazek co se kam zapojuje.

gb.jpg

m.vlada
nováček
Příspěvky: 6
Registrován: prosinec 19
Pohlaví: Muž
Stav:
Offline

Re: Vypadlé konektory

Příspěvekod m.vlada » 27 pro 2019 23:02

Děkuji. I v manualu se musí umět hledat. Už funguji

petr22
Guru Level 15
Guru Level 15
Příspěvky: 55012
Registrován: únor 12
Pohlaví: Muž
Stav:
Offline

Re: Vypadlé konektory

Příspěvekod petr22 » 27 pro 2019 23:05

HDD LED ani nemusis zapojovat, je to zcela zbytecna vec.


  • Mohlo by vás zajímat
    Odpovědi
    Zobrazení
    Poslední příspěvek

Zpět na “Problémy s hardwarem”

Kdo je online

Uživatelé prohlížející si toto fórum: Žádní registrovaní uživatelé a 21 hostů