Hledám ventilátor Vyřešeno

Taktujete či jinak upravujete své PC? Sdělte nám své zkušenosti, vložte sem své dotazy…

Moderátoři: Mods_junior, Mods_senior, HW spec team

Uživatelský avatar
-frost-
Level 3
Level 3
Příspěvky: 570
Registrován: leden 08
Bydliště: Teplice
Pohlaví: Muž
Stav:
Offline

Re: Hledám ventilátor

Příspěvekod -frost- » 20 led 2011 14:51

Nepochopil ;)
V případě, že přemístíš disky a kartu necháš tam kde je, dojde k tomu, že vzduch z ní vyfukující se mlátí se vzduchem proudícím skrz přední ventilátor. Pokud kartu přemístíš do spodního PCIe slotu, situace nebude o moc lepší. Vzduch z karty bude unikat částečně do spodní pozice s diskem a částečně bude opět kolidovat se vzduchem od ventilátoru. Pokud ovšem nějakým nedestruktivním způsobem zaděláš ten děrovaný kryt na chladiči grafické karty, vzduch by se měl čistě teoreticky jakoby sklouznout a foukat směrem nahoru. V tu chvíli nebude nic bránit přednímu ventilátoru. Takže čerstvý vzduch se smíchá s tím horkým od karty a opět, čistě teoreticky, by mělo být po problému.

Na koši s disky bude přidělán pokud možno výkoný ventilátor, který bude chladit jednak disky samotné a částečně bude odfukovat vzduch, který bude přicházet zespodu od grafické karty a předního intake.

Mohlo by to takhle fungovat. Největší problém je však ten, že ty si ten, kdo má ten PC doma. Já vycházím pouze z představivosti a z obrázků. Tak mě potom nekamenuj, kdyby to nevyšlo.


EDIT:
Ještě k tomu co jsi napsal, ohledně odvádění vzduchu ventilátorem umístěným na koši s HDD. Pokud by se to udělalo tak, jsem to popsal, tedy přesunutí grafiky níž + úprava toho krytu, vzduch by měl mít snesitelné teploty a tudíž by mohl skrz disky odcházet ven, za pomoci toho ventilátoru. Taky by to mělo jít, ale vůbec se mi to nelíbí.

S tím souvisí i ten tvůj chladič na procesoru. Kdyby tam byl ten tower, tak ventilátor na něm umístěný by zachytil jak vzduch od grafiky, tak vzduch tekoucí skrz disky a přes žebra chladiče na CPU by ho odvedl ven ze skříně. Naprosto ideální případ airflow. S tím zase ovšem souvisí teploty chipsetu, že? Je to jedno z druhym.
ASUS M2NPV-VM (GeForce 6150) - AMD Sempron 3000+, Kingston 2x1GB DDR2
Samsung SyncMaster B2240W

Lenovo ThinkPad Edge 14

Reklama
Uživatelský avatar
Speed_dead
Level 6
Level 6
Příspěvky: 3288
Registrován: duben 10
Bydliště: Praha
Pohlaví: Muž
Stav:
Offline
Kontakt:

Re: Hledám ventilátor

Příspěvekod Speed_dead » 20 led 2011 17:24

Taky by to mělo jít, ale vůbec se mi to nelíbí.

Mě taky ne. Dostal bych se podstatě tam, kde jsem byl prve.

Jde o to, že oba intake ventilátory a potažmo i část vzduchu z grafiky bude proudit proti proudu vzduchu z procesoru. A ten ventilátor má sice jen 700 otáček, ale funí fest.Má totiž průměr 140mm. A že by vzduch nějak sám od sebe obešel ten chladič procesoru v to nedoufám. Outake ventilátor je narvaný na chladič a druhý výstup - zdroj, jen nad chladičem. Takže marně přemýšlím nad tím, kudy by ten vzduch vlastně odcházel. Jedině snad otvory v bočnici a nebo tím kanálem co jsem popisoval dozadu nad posunutou grafikou. Až budu mít chvíli, tak to to kdyžtak nakreslím. Zatím se můžeš podívat na obrázek v mým prvním postu a pochopíš, kam tím mířím. On ten vzduch nemá vlastně kudy odejít. Levá polovina grafiky a levá polovina vzduchu chladiče je v pohodě. Nasaje čerstvý vzduch bočnicí a vyfoukne zadem. Ale ta druhý polovina vzduchu se tam bude spolu se vzduchem zepředu chaoticky motat, jelikož nemá kudy odejít. Proto jsem psal v mimulým postu o posunutí grafiky a udělání vzduchovodu mezi chladičem procesoru a grafikou ven do zadních záslepek. Společně s vzduchovody pro chladič procesotu a grafiky, abych zajistil v case maximální přetlak a grafika s procesorem nemohly nasát nějaký už ohřátý vzduch.

Je mě jasný, že konečný rozhodnutí co a jak udělám, je na mě. Minulý víkend jsem kvůli předělání zdroje a udělání grafiky rozdělal 70% počítače. Pokud se dotoho pustím, bude to 100% Důležitá věc bude, zda budu moct chytit 5,25 jednotku nasvislo tak jak to je a nebo si budu muset sehnat nějaký specielní držák. Na tom by to mohlo ztroskotat. I když jak jsem na to zběžně díval, vypadá to, že by mohly stačit jen standartní plastový lyžiny, jenž jsem si ještě nedávno dokoupil, takže jich mám dostatek.
Google ví skoro vše. Ale někdy je problém co tam napsat, aby to našlo to, co hledám.
Pokud se to nepovede, vypadne tuna nepoužitelných odkazů a nebo taky nic.

Uživatelský avatar
Orcus
člen Security týmu
Elite Level 10.5
Elite Level 10.5
Příspěvky: 10645
Registrován: duben 10
Bydliště: Okolo rostou 3 růže =o)
Pohlaví: Muž
Stav:
Offline

Re: Hledám ventilátor

Příspěvekod Orcus » 20 led 2011 18:11

Ještě sem tak přemejšlel - nepomohlo by ti tohle?

http://www.czechcomputer.cz/product.jsp?artno=40600

s tím že pokud by větrák fičel dovnitř tak bys ho mohl otočit aby fujařil ven :)
Láska hřeje, ale uhlí je uhlí. :fire:



Log z HJT vkládejte do HJT sekce. Je-li moc dlouhý, rozděl jej do více zpráv.

Pár rad k bezpečnosti PC.

Po dobu mé nepřítomnosti mě zastupuje memphisto, jaro3 a Diallix

Pokud budete spokojeni , můžete podpořit naše fórum.

Uživatelský avatar
Speed_dead
Level 6
Level 6
Příspěvky: 3288
Registrován: duben 10
Bydliště: Praha
Pohlaví: Muž
Stav:
Offline
Kontakt:

Re: Hledám ventilátor

Příspěvekod Speed_dead » 20 led 2011 21:16

Obávám se, že by to příliš nepomohlo. To bych musel airflow v case úplně otočit.Momentálně chladič procesoru a grafický karty přes bočnici nasává. Potřebuju chladit základovku, proto jsem si pořídil chladič s větrákem, co fouká kolmo na desku. Odsáváním v bočnici ze stávajíc děr . základovku neuchladím. To by musel být odsávaví ventilátor v první 1/3 skříně. Což je problém, jelikož do skříně nechci řezat.
Google ví skoro vše. Ale někdy je problém co tam napsat, aby to našlo to, co hledám.
Pokud se to nepovede, vypadne tuna nepoužitelných odkazů a nebo taky nic.

Uživatelský avatar
Speed_dead
Level 6
Level 6
Příspěvky: 3288
Registrován: duben 10
Bydliště: Praha
Pohlaví: Muž
Stav:
Offline
Kontakt:

Re: Hledám ventilátor

Příspěvekod Speed_dead » 21 led 2011 11:22

To -frost-:

Nějak takhle jsem to myslel s tím odsávácím vzduchovodem mezi grafikou a procesorem. Provedení počítá s přesunutím koše s HDD na kolejničky, přidání větráku na koš a zaslepení průduchů v krytu garfiky tak aby všechen vzduch šel nahoru. Současně bych udělal nasávací tunely pro procesor i grafiku, aby nenatahovaly teplý vzduch ze skříně. Nákres je samozřejmě schématický. Vzduchovod bych udělal maximálně tak, aby kladl co nemenší možný odpor.

PC.jpg
PC.jpg (16.41 KiB) Zobrazeno 664 x
Google ví skoro vše. Ale někdy je problém co tam napsat, aby to našlo to, co hledám.
Pokud se to nepovede, vypadne tuna nepoužitelných odkazů a nebo taky nic.

Uživatelský avatar
-frost-
Level 3
Level 3
Příspěvky: 570
Registrován: leden 08
Bydliště: Teplice
Pohlaví: Muž
Stav:
Offline

Re: Hledám ventilátor

Příspěvekod -frost- » 21 led 2011 12:14

No, vypadá to určitě zajímavě, jen jsem zvědavej, jak to zrealizuješ ;)
Vytvoření průduchu pro grafickou kartu je dobrým řešením. Jen si nejsem jistej, jak do toho zakomponuješ ten procesor. Respektive, jak se ti podaří zachytit vzduch od něj proudící. Přeci jen, máš tam operační paměti + to tvoje povedený chlazení chipsetu. Procesor bych z toho možná vynechal, ne že by to nepotřeboval, ale přeci jen ta realizace bude trochu náročnější a výsledek nebude nic moc patrný. Tvrdím to na základě tvého dřívějšího příspěvku, kde si uváděl, že vzduch od CPU je vlažný. Nehledě na to, že tou konštrukcí by si opět zabednil ten spodní intake ;)
Pokud vytvoříš vlastní chladící okruh pro kartu, tak to bude naprosto ideální. Spodnímu intake dáš možnost se trošku prosadit, což by se na teplotách ostatních komponent mělo promítnout.

Obrázek

Každopádně, pokud už to máš promyšlený a budeš vědět, jako na to. Mluvit ti do toho nebudu ;)
ASUS M2NPV-VM (GeForce 6150) - AMD Sempron 3000+, Kingston 2x1GB DDR2
Samsung SyncMaster B2240W

Lenovo ThinkPad Edge 14

Uživatelský avatar
Speed_dead
Level 6
Level 6
Příspěvky: 3288
Registrován: duben 10
Bydliště: Praha
Pohlaví: Muž
Stav:
Offline
Kontakt:

Re: Hledám ventilátor

Příspěvekod Speed_dead » 21 led 2011 13:59

Mluvit ti do toho nebudu

Kdybych nechtěl, aby mě dotoho někdo mluvil, tak to sem nedávám. 8)

Ten tunel tam dám asi jak je na obrázku u mě. Jen si musím ověřit, že půjde posunout grafická karta. 1cm vysoký vzduchovod a velké zalomení u grafiky by bylo dost na škodu, připadě, že by posunout nešla. Čipset se přehřívat nebude, jelikož vzduchovod začne u chladiče procesoru a rozhodně ho nebude obalovat zespodu. Takže ten vzduch, co za "zabloudí" od ventilátoru chladiče procesoru k základní desce ochladí i čipset. Jen asi nechám ten ventilátor do zadní záslepky, aby udělal průvan i podo grafickou kartou. Oba intake ventilátory bych z větší části (ne vzduchotěsně) nasměroval do zmíněného vzduchovodu a tím postrčil vzduch z problémové grafiky. Oba intake ventilátory rozhodně vzduch ke zdorji nedostanou. Na to je chladič procesoru příliš výkonný. Tak je oba využiju tím, že je přidám do hlavního odvodu vzduchu z case. Pokud se povede posunutí grafický karty, tak se do vzduchovodu vejde i 80mm ventilátor.

Teď jen vyřešit, z čeho udělat ten vzduchovod. Zatím uvažuju o slabším kartónu s tím, že ho obalím zvenku samolepícím molitanovým těsněním. To by ho jak zpevnilo a zaizolovalo. Navíc pokud se bude o něco opírat, tak to nebude hlučet. Doma si to zkusím rozkreslit, jak by ten vzduchovod vlastně vypadal. Nakreslím si to v PC. Ale budu si muset dát pozor či případně počítač vypnout, až to budu rozměřovat. Komponety v PC nemaj moc rádi kovovou šupleru a svinovací metr, jenž je taky kovový. :D
Google ví skoro vše. Ale někdy je problém co tam napsat, aby to našlo to, co hledám.
Pokud se to nepovede, vypadne tuna nepoužitelných odkazů a nebo taky nic.

Uživatelský avatar
-frost-
Level 3
Level 3
Příspěvky: 570
Registrován: leden 08
Bydliště: Teplice
Pohlaví: Muž
Stav:
Offline

Re: Hledám ventilátor

Příspěvekod -frost- » 21 led 2011 14:22

Jak říkám, pokud se ti to podaří vytvořit tak, jak to máš na tom obrázku, tak nemám nic proti tomu. Nápad je to dobrej. Mně osobně to akorát přišlo trochu složitější na výrobu. Proto jsem to zjednodušil ;)
Ventilátor v zadní záslepce klidně nech. Pokud tě nijak neruší, není důvod ho dávat pryč...

V tom vzduchovodu budeš muset vytvořit potřebný tlak aby s klidem dokázal strhnout vzduch od té karty, jinak by se ti taky mohlo stát, že těma "cestičkama", které vytvoříš z toho kartonu, se ti od té karty dostane opět až k těm HDD. Tím spíš, že tam ještě bude fučet ten spodní intake. Zapotřebí tedy bude dostatečný tah ventilátoru ve vzduchovodu a taky výkonný ventilátor na koši s HDD, který to v případě potřeby přetlačí.

Jen pro představu. Ventilátor v tom vzduchovodu bude asi naležato, co? Jak bude probíhat to nasávání vzduchu?

Jinak k tomu rozměřování. Určitě bych to dělal po vypnutí PC, pokud možno po vytažení ze zásuvky. Jisto je jistota :wink:
ASUS M2NPV-VM (GeForce 6150) - AMD Sempron 3000+, Kingston 2x1GB DDR2
Samsung SyncMaster B2240W

Lenovo ThinkPad Edge 14

Uživatelský avatar
Speed_dead
Level 6
Level 6
Příspěvky: 3288
Registrován: duben 10
Bydliště: Praha
Pohlaví: Muž
Stav:
Offline
Kontakt:

Re: Hledám ventilátor

Příspěvekod Speed_dead » 21 led 2011 14:58

Ventilátor v záslepce není zrovna tichý a určitě bude hlušnější, když se zaběhne. Zatím má snížený otáčky a tak nijak zvášť nehlučí.

Aby horký vzduch z grafiky nebloudil, tak k němu přidám vzduch z intake ventilátorů a chladiče procesoru, jenž nemá stejně kam jít. Do profilu tří zadních záslepek se při troše dobrý vůle vejde 80mm ventilátor klasicky na kolmo, takže žádný co tam mám teď (nasává čelem a vyfukuje bokem), nebudu muset použít.

Edit: Jak jsem se díval, tak pokud se mě povede posunout grafickou kartu do druhého slotu, tak budu muset pomocný větrák ze zadního slotu vyhodit. Je tam málo místa a větráky by se tahaly o vzduch.

Edit2: Problém ohledně posunutí grafiky jsem vyřešil viz topic. Jak jsem kartu dal do druhého slotu, zjistil jsem, že je utopená pod větracími otvory v bočnici. Proto bych asi udělal vzduchovod nejen k tomuto nasávacímu otvoru, ale i k samostantnému HDD jenž leží defakto na podlaze v case a škvíru u intake ventilátoru, aby si tam grafika mohla přisávat. Pomocný výfukový ventilátor do slotu bych rozhodně musel zrušit, jelikož by nasávácí otvor grafiky a slotového ventilátoru jen cca 5mm od sebe. Ve dnu case jsou sice otvory také, ale řídké a malé.

Chlaz.jpg


Edit3: Tak jsem přemýšlel nad tím, že se spodní HDD nebude zrovna nějak extra chladit a že bych mohl za něj dát jeden z těch ventilátorů, co mám. Že by nasával od HDD a foukal by to k nasávacímu otvoru grafiky.
Google ví skoro vše. Ale někdy je problém co tam napsat, aby to našlo to, co hledám.
Pokud se to nepovede, vypadne tuna nepoužitelných odkazů a nebo taky nic.

Uživatelský avatar
Speed_dead
Level 6
Level 6
Příspěvky: 3288
Registrován: duben 10
Bydliště: Praha
Pohlaví: Muž
Stav:
Offline
Kontakt:

Re: Hledám ventilátor

Příspěvekod Speed_dead » 30 led 2011 19:30

Takže zatím z toho vychází toto řešení:

[attachment=3]Predek - puvodni_B.jpg[/attachment]

[attachment=2]Bok - puvodni_B.jpg[/attachment]

[attachment=1]Predek - novy_B.jpg[/attachment]

[attachment=0]Bok - novy_B.jpg[/attachment]

Legenda:
Rudá šipka - horký vzduch
Oranžová šipka - vlahý vzduch
Modrá šipka - studený vzduch
Zelená čára - schematické znázornění vzduchovodu.

Edit:

Tak jsem se pustil do rozborky PC. Při skládání mě napadlo toto vylepšení. Do svislé pozice jsem dal z úplně spodní pozice 5. HDD. Takže se bude pěkně chladit z teď volného intake ventilátoru. Čtečku jsem nechal v původní pozici a zapínání PC s FDD 3,5" jsem dal do úplně spodní pozice místo 5. HDD. Koš s HDD jsem dal tam kam jsem měl v úmyslu.

Nový intake co jsem dal na koš s HDD jsem musel přišroubovat natvrdo. Pokud ventilátor vzdálím od koše byťjen o 1mm, tak naráží do čelního krytu.

Docela oříšek se zdál být šroub co držel základovku. Nechtěl jsem kvůli němu sundavat chladič z procesoru. Chtělo to hodně dlouhý a tenký šroubovák s velkou "hlavou" na konci. Tento šroubovák nemám a myslím si, že nebude běžně ke koupi, pokud vůbec existuje. Řešení bylo snažší, než jsem si myslel. Zadní část, s outake ventilátorem a I/O shieldem lze odšroubovat.
Přílohy
Bok - novy_B.jpg
Nový bok
Predek - novy_B.jpg
Nový předek
Bok - puvodni_B.jpg
Původní bok
Predek - puvodni_B.jpg
Původní předek
Google ví skoro vše. Ale někdy je problém co tam napsat, aby to našlo to, co hledám.
Pokud se to nepovede, vypadne tuna nepoužitelných odkazů a nebo taky nic.

Uživatelský avatar
Speed_dead
Level 6
Level 6
Příspěvky: 3288
Registrován: duben 10
Bydliště: Praha
Pohlaví: Muž
Stav:
Offline
Kontakt:

Re: Hledám ventilátor  Vyřešeno

Příspěvekod Speed_dead » 15 bře 2011 12:10

Sice je tohle téma trochu out, nicméně řešení jsem našel.
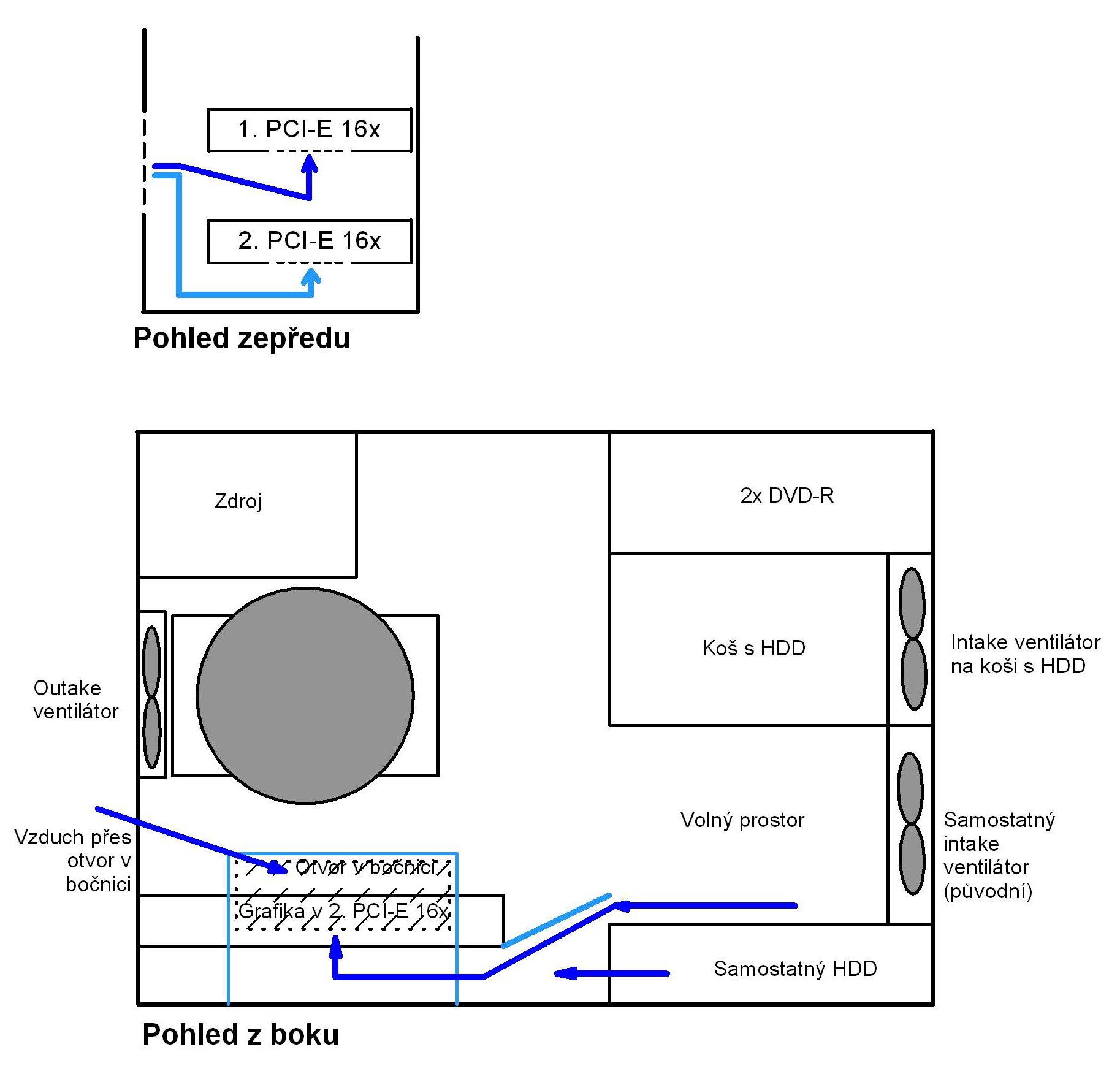
1. Do horních dvou pozic jsem dal DVD-R
2. Další tři pozice zabírá koš s HDD a 120mm Noctuou.
3. Čečka zůstava v 3,5" pozici
3. 3 pozice, kde byl původně koš s HDD je volný. Originální ventilátor zůstal. Jen jsem ho zpomalil 7V redukcí, stejně jako outake.
4. Úplně dole mám FDD s panelem na zapínání.
5. Do svislé polohy vedle originálního ventilátoru je 5. HDD, kde se dobře chladí.

Vzadu jsem nic neměnil, grafika je je v 1. slotu PCI-E 16x. Žádné nástavce na nasávání z bočnice, ani ucpání perforace bočnice jsem neuskutečnil.

Teploty jsou už v pohodě. I při delší zátěží má nejteplejší HDD kolem 35st. Až bude něco peněz nazbyt, vymění původní intake a outake ventilátor za tižšší. Po výměně chladiče a ventilátoru ve zdroji, jsou největším zdrojem hluku v PC.

P.S. Zapojení HDD v koši byl kvůli malýmu místu a spoustě dalších kabelů porod.
Google ví skoro vše. Ale někdy je problém co tam napsat, aby to našlo to, co hledám.
Pokud se to nepovede, vypadne tuna nepoužitelných odkazů a nebo taky nic.


  • Mohlo by vás zajímat
    Odpovědi
    Zobrazení
    Poslední příspěvek

Zpět na “Taktování a další úpravy PC”

Kdo je online

Uživatelé prohlížející si toto fórum: Žádní registrovaní uživatelé a 16 hostů